|
中高壓變頻器應用
中壓變頻器的應用
中壓變頻器一般指電壓為660V~690V、1140V的變頻器。目前,中壓變頻器應用于城市供水、油田的潛油電泵、注水泵、磕頭機,煤礦中的主井風機、皮帶機、掘煤機(防爆)等領域。
高壓變頻器的應用:
高壓變頻器(指電壓大于1140V)作為高壓電機節能和調速裝置被廣泛應用于冶金、電力、供水、石油、化工、煤炭等高耗能行業。在節能減排和低碳背景下,近幾年我國高壓變頻器市場一直保持著較高的增長率。 高壓變頻器產品電壓等級包括3kV、6kV和10kV產品,在冶金、化工、電力、市政供水和采礦等行業廣泛應用于的泵類負載,可拖動風機、水泵、壓縮機等各類負載,占整個用電設備能耗的40%左右。高壓電動機利用高壓變頻器可以實現無級調速,既可滿足生產工藝過程對電動機調速控制的要求,又可大幅度的節約能源,降低生產成本。
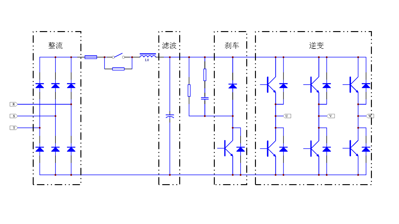
中高壓變頻器拓撲圖
拓撲1:整流 + 三相三電平方案(主要用于中壓變頻器)
拓撲2:整流 + 三相橋方案

拓撲3:整流 + H橋方案
達新中高壓變頻器應用的對應產品
針對逆變部分的IGBT單管和模塊。
|